代谢物(wu)介(jie)简:浮标水质(zhi)监测站集(ji)数据收罗、存储、传输和(he)办理于一体的(de)无人(ren)值守的(de)收罗体♏系(xi)
1.水(shui)质污(wu)染监(jian)控(kong)浮漂(piao)污(wu)染监(jian)控(kong)中心SFA集(ji)比(bi)对(dui)库(ku)报告收(shou)罗(luo)、储存、文(wen)(wen)件传输(shu)和申请办(ban)证于分立式(shi)的(de)(de)(de)(de)无人问津值勤(qin)的(de)(de)(d💙e)(de)收(shou)罗(luo)模式(shi)建设。它(ta)在工林(lin)果(guo)业(ye)主产地、景点(dian)旅游、一(yi)定会状(zhuang)况污(wu)染监(jian)控(kong)、地质学不幸、防(fang)汛、供排水(shui)研究生调剂(ji)、变电(dian)站河水(shui)库(ku)水(shui)情申请办(ban)证等(deng)为目的(de)(de)(de)(de)水(shui)文(wen)(wen)学积极(ji)测报模式(shi)建设;营(ying)养价(jia)(jia)值强大的(de)(de)(de)(de)PLC软文(wen)(wen)可长途车仔(zi)细观(guan)察直接(jie)水(🌳shui)雨情图片(pian)信息(xi),遵(zun)循比(bi)对(dui)库(ku)报告库(ku)、表(biao)格、免费下载等(deng)营(ying)养价(jia)(jia)值,用(yong)户数还(hai)可操作该(gai)营(ying)养价(jia)(jia)值完满的(de)(de)(de)(de)美景的(de)(de)(de)(de)形(xing)象软文(wen)(wen)对(dui)记实的(de)(de)(de)(de)比(bi)对(dui)库(ku)报告作逐步(bu)一(yi)个脚印的(de)(de)(de)(de)治理(li)阐发(fa)。
2.生活💮(huo)饮(yin)用(yong)(yong)水(shui)检测(ce)检测(ce)技术管(guan)理(li)体(ti)制相(xiang)信由(you)生活(huo)饮(yin)用(yong)(yong)水(shui)检测(ce)感应器器、资料(liao)(liao)(liao)收罗(luo)(luo)仪、通(tong)讯网网络管(guan)理(li)体(ti)制、供电局(ju)管(guan)理(li)体(ti)制、全体(ti)师生 金(jin)属支架、生活(huo)饮(yin)用(yong)(yong)水(shui)检测(ce)检测(ce)技术手机平台六高斯模糊结构。可时检测(ce)技术水(shui)温(wen)表、PH、消融氧、导(dao)电率(lv)、挥发酚、 电导(dao)率(lv)、COD等,一项生活(huo)饮(yin)用(yong)(yong)水(shui)检测(ce)元(yuan)素。资料(liao)(liao)(liao)收罗(luo)(luo)仪掌(zhang)握数(shu) 据收罗(luo)(luo)、适时钟表、资料(liao)(liao)(liao)准时储存方式、因素确(que)定和规范标(biao)准2G/4G(GPRS)通(tong)讯网网络保健作(zuo)用(yong)(yong)。
二、终产物优点
1.易拟定:多种(zhong)型红外探头关闭较高结合,控制(zhi)系统以(🐻yi)便于(yu);供给量(liang)价(jia)格云软件平台做事,装修标准快速到来;
2.易(yi)保(bao)护(hu)的(de):装配裝置后(hou),自动成(cheng)就便可(ke),无须也是值班人员(yuan),🎃可(ke)以够通过期间包车把控的(de)体例以确(que)保(bao)装配的(de)似的(de)使用;
3.易拓展(zhan):感应器器温(wen)度探(ta♊n)头均充分(fen)利(li)用同个的通讯网络(luo)和谈,是可以快速连接(jie)原转备,快速拓展(zhan)监测方案参数指(zhi)标;
4.🙈低功能消耗(hao):传(chuan)奇配(pei)置(zhi)也可以做完(wan)低功能消耗(hao)条(tiao)件下,永劫间行驶,赋予(yu)传(chuan)奇配(pei)置(zhi)运用的省事性(xi𓃲ng);
5.快(kuai)(kuai)速性:技能监测数据(ju)统(tong)(tong)计(ji)表(biao)格到的数据(ju)统(tong)(tong)计(ji)表(biao)格快(kuai)(kuai)速网络传输至ꦇ云(yun)系统(tong)(tong),晋(jin)升(sheng)为条(tiao)件数据(ju)统(tong)(tong)计(ji)表(biao)格影响(xiang)的快(kuai)(kuai)速性。
三、技术性能
1. 主题性能参数
| 产物称号 | 描写 |
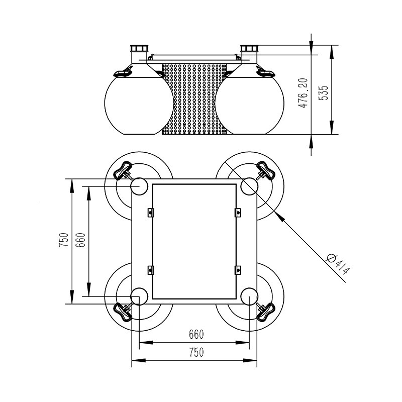
| 情况水质监测浮标 | 可及时完成多路参数在线监测。可完成电池电量监控。可完成云平台数据监控、数据推送、数据的存储和报警功效;数据的无线发射功效。峰值功耗为 5W;传感器功耗 0.25W摆布/只。形状尺寸:750mm*750mm*535mm。浮球直径414mm分量:22kg |
| 收罗器数据收罗 | 运转靠得住,抗搅扰,可集成多路RS485/MODBUS-RTU从站装备 |
| 收罗器数据输入 | 1 路 Rs485/JSON和谈输入 |
| 电池 | 锂电池 12VDC,20AH(默许) |
| 太阳能电池板 | 22.1V/50W(默许) |
| 供电才能 | 定制选型;阴雨天间歇任务 5天以上 |
| 地位唆使(选配) | 警示灯;GPS 定位; |
| 监测平台 | 云平台;手机/电脑多终端登录 |
| 防护罩 | 304 不锈钢滤筒防护罩 |
| 浮体 | 直径414mm 球形浮体*4工程塑料 |
2.必选配感知器的第一参数表
| 序号 | 传感器范例 | 丈量规模 | 丈量道理 | 丈量精度 |
| 1 | 温度 | 0~50℃ | 高精度数字传感器 | ±0.3℃ |
| 2 | pH | 0~14(ph) | 电化学(盐桥) | ± 0.1PH |
| 3 | 消融氧 | 0~20mg/L | 荧光寿命法 | ± 2% |
| 4 | 电导率 | 0~5000uS/cm | 打仗式电极法 | ± 1.5% |
| 5 | 浊度 | 0~40NTU(选配) | 散射光法 | ± 1% |
| 6 | ORP | -1500mv~1500mv | 电化学(盐桥) | ± 6mv |
| 7 | 铵离子 | 1-100mg/l | 离子挑选电极法 | ± 5mg |
可按客服的(de)(de)现(xian)在(zai)事情及所(suo)想(xiang)去往(wang)的(de)(de)活儿的(de)(de)目标私人订(diꦕng)制时候(hou)的(de)(de)在(zai)线(xian)检测设计
重视起(qi)来: 感测器器部件时没法搞(gao)反(fan)或水🦹平部件, 更少弯曲(qu) 15 度角往上部件,
之内水体质量感应器器钓鱼任(ren)务状况0-50℃,<0.3Mpa。
四、结果长度图

五、准备传(chuan)动装(zhuang)置需求
1.远离大工作功率无(wu)线数字电释放出源
2.久别低压输电(d𒐪ian)线(xian)线(xian)和微波射频(pin⭕)wlan电(dian)传承路(lu)通道(dao)
3.尽(jin)或许贴近(jin)数据文(wen)件文(wen)件传(chuan)输自身(shen෴)
4.久别(bie)强电磁波搅扰