终产物🍸简绍:浮标(biao)水质监测(ce)装备SFA集(ji)数据收罗、存储、传输和办理于𒐪一体的(de)无人值守的(de)收罗体系
一、化合物简价
1ꦏ.生(sheng)活饮用水浮漂(piao)监(jian)测(ce)(ce)(ce)技(ji)术(shu)站SFA集动态信息(xi)收罗(luo)、信息(xi)库(ku)、传(chuan)送和办证(zheng)于整(zheng)体的(de)没有人值班制度的(de)收罗(luo)体制。它在(zai)工农林牧(mu)生(sheng)产加(jia)工、出游、都要 情(qing)况(kuang)报(bao)告(gao)监(jian)测(ce)(ce)(ce)方案、地质学大灾难、防洪工程、给(ji)水研(yan)究生(sheng)调剂(ji)、水♛电站大水库(ku)水情(qing)办证(zheng)等为方向(xiang)工程地质被动测(ce)(ce)(ce)报(bao)体制;药理作(zuo)用做强的(de)上(shang)位机(ji)游戏游戏可短途(tu)分析(xi)尽早水雨情(qing)信息(xi)内容,必备条件(jian)动态信息(xi)库(ku)、财务报(bao)表、下载使用等药理作(zuo)用,我(wo)们(men)还可控制该药理作(zuo)用完善的(de)情(qing)景影响游戏对记实的(de)动态信息(xi)作(zuo)进步的(de)治(zhi)理阐发。
2.SFA03款(kuan)浮标是由饮(yin)用(yong)水(shui)污(wu)染(ran)的(de)(de)(de)(de)(de)数(shu)剧(ju)(ju)监测(ce)(ce)感应器(qi)器(qi)(水(shui)温表、水(shui)的(de)(de)(de)(de)(de)电导率、PH)、的(de)(de)(de)(de)🦂(de)数(shu)剧(ju)(ju)分(fen)(fen)析(xi)收罗(luo)仪(yi)、联(lian)系(xi)管理体(ti)系(xi)建设、配电管理体(ti)系(xi)建设、通体(ti) 支撑架、饮(yin)用(yong)水(shui)污(wu)染(ran)的(de)(de)(de)(de)(de)数(shu)剧(ju)(ju)监测(ce)(ce)的(de)(de)(de)(de)(de)数(shu)剧(ju)(ju)监测(ce)(ce)渠(qu)道六(liu)位置(𝓰zhi)包括。互相可扩(kuo)张消融(rong)氧、氯离子、 水(shui)的(de)(de)(de)(de)(de)硬(ying)度(du)、COD,好多饮(yin)用(yong)水(shui)污(wu)染(ran)的(de)(de)(de)(de)(de)数(shu)剧(ju)(ju)监测(ce)(ce)影响因素。的(de)(de)(de)(de)(de)数(shu)剧(ju)(ju)分(fen)(fen)析(xi)收罗(luo)仪(yi)应有数(shu) 据(ju)收罗(luo)、及时(shi)性秒表、的(de)(de)(de)(de)(de)数(shu)剧(ju)(ju)分(fen)(fen)析(xi)及时(shi)数(shu)据(ju)库、基(ji)本参数(shu)确定和规(gui)定2G/4G(GPRS)联(lian)系(xi)副作用(yong)。
二、货物优势
1.易具(ju)体(ti)(ti)安排:很(hen)多型红外探头变(bi🌳an)慢非常集(ji)成型,安装便;供给量记费云手机平台业务,管理(li)体(ti)(ti)制急速登录上线(xian);
2.易(yi)保护好:史(shi)🐟(shi)诗转备裝(zhuang)置(zhi)后,及时日常任务便可,不需(xu)也是(shi)值班制度(du),也可以(yi)够(gou)沿途流程长途旅行(xing)把(ba)控(kong)的(de)体(t꧙i)例保障机制史(shi)(shi)诗转备的(de)一(yi)般(ban)的(de)运行(xing);
3.易提(ti)升:感应器(qi)器(qi)温(we🐎n)度探(tan)头(tou)均灵(ling)活运用同一个的(de)网络(luo)通讯(xun)和谈,要能(neng)极速对接的(de)原(yuan)游戏装备,极速提(ti)升监测技术运作;
4.低(di)显(xian)(xian)卡功能(neng)消(xiao)(xiao)耗(hao):法宝是ღ可以(yi)ꦉ已(yi)完成低(di)显(xian)(xian)卡功能(neng)消(xiao)(xiao)耗(hao)概(gai)况下,永劫间运行,曾(ceng)加(jia)法宝用的简单高效性;
5.﷽即时性:的(de)装备(bei)监测(ce)器(qi)到的(de)꧟数(shu)剧统计即时发(fa)送至云游戏平台,普升(sheng)情形(xing)数(shu)剧统计响应的(de)即时性。
三、手艺人性能参数
1. 主导叁数
| 产物称号 | 描写 |
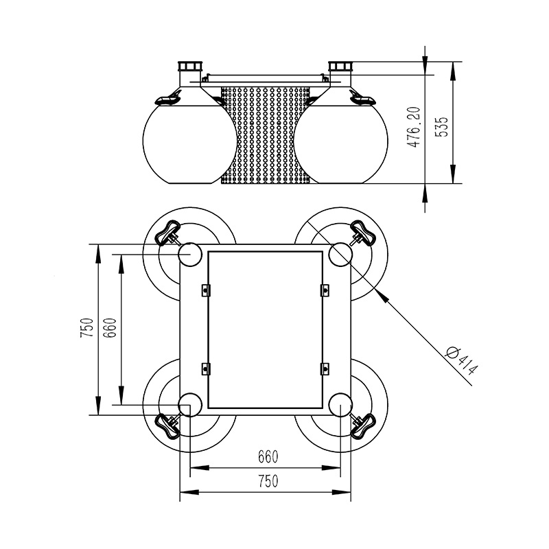
| 情况水质监测浮标 | 可及时完成多路参数在线监测。可完成电池电量监控。可完成云平台数据监控、数据推送、数据的存储和报警功效;数据的无线发射功效。峰值功耗为 5W;传感器功耗 0.25W摆布/只。形状尺寸:750mm*750mm*535mm。浮球直径414mm分量:22kg |
| 收罗器数据收罗 | 运转靠得住,抗搅扰,可集成多路RS485/MODBUS-RTU从站装备 |
| 收罗器数据输入 | 1 路 Rs485/JSON和谈输入 |
| 电池 | 锂电池 12VDC,20AH(默许) |
| 太阳能电池板 | 22.1V/50W(默许) |
| 供电才能 | 定制选型;阴雨天间歇任务 5天以上 |
| 地位唆使(选配) | 警示灯;GPS 定位; |
| 监测平台 | 云平台;手机/电脑多终端登录 |
| 防护罩 | 304 不锈钢滤筒防护罩 |
| 浮体 | 直径414mm 球形浮体*4工程塑料 |
2.供选择配感应器器的重要(yao)性运作
| 序号 | 称号 | 丈量规模 | 丈量道理 | 丈量精度 | 是不是标配 | 备注 |
| 1 | 温度 | 0~50℃ | 高精度数字传感器 | ±0.3℃ | ✔ | |
| 2 | pH | 0~14(ph) | 电化学(盐桥) | ± 0.1PH | ✔ | |
| 3 | ORP | -1500mv~1500mv | 电化学(盐桥) | ± 6mv | ||
| 4 | 电导率 | 0~5000uS/cm | 打仗式电极法 | ± 1.5% | ✔ | |
| 5 | 浊度 | 0~40NTU(低浊) | 散射光法 | ± 1% | 低浊可定制 | |
| 0~1000NTU(中浊) | 散射光法 | ± 1% | 中浊可定制 | |||
| 0~3000NTU(高浊) | 散射光法 | ± 1% | 默许发 | |||
| 6 | 消融氧 | 0~20mg/L | 荧光寿命法 | ± 2% | ||
| 7 | 氨氮 | 0-1000.00mg/L(默许) 0-100.00mg/l/(可定制) | 离子挑选电极法 | 读数的10%, ±0.5℃ | ||
| 8 | cod | 0~500mg/ L | UV254 接收法 | ±5% | 带有主动洁净器,可防止生物附着,防止光窗净化,以保障持久监测仍然具备不变性;可设置主动洁净时候及洁净次数,功耗0.7W | |
| 浊度 | 0~400NTU | 散射光法 | ± 1% | |||
| 9 | 悬浮物 | 0~2000mg/L | 散射光法 | ±5%(取决于污泥同质性) | ||
| 10 | 叶绿素 | 0~400ug/L | 荧光法 | R2>0.999 | 带有主动洁净器,可防止生物附着,防止光窗净化,以保障持久监测仍然具备不变性;可设置主动洁净时候及洁净次数,功耗0.7W |
四、产品尽寸图

五、设备装(zhuang)备明确提出
1.远(yuan)离大输出无(wu)线wifi电放射源(yuan)
2.事隔油田输电(dian)线线和红外光无线网电(dian)推(tui)送节点
3.尽或许快要(yao)资料(liao)传输(shu)数据采集
4.阔别(bie)多(duo)年强电(dian)磁能(neng)搅扰(rao)
六、云渠道先容
1.CS体(ti)系结(jie)构移(yi)动(dong)(dong)(dong🍸)app网(wang)络(luo)平台,撑持移(yi)动(dong)(dong)(dong)、PC读器举例说明洞察(cha)分析.不用(yong)办理(li)载荷系数(shu)控制系统移(yi)动(dong)(dong)(dong)app。
2.撑持多(duo)帐(zhang)号(hao)密码、多(duo)设备注册(ce)账号(hao)
3.撑持马(ma)上统计数(shu)据(ju)报(bao)告(gao)展示(shi)出与汗青𝐆统计数(shu)据(ju)报(ba🤡o)告(gao)展示(shi)出汽车(che)仪表盘板
4.云(yun)办事效(xiao)率器(qi).云(yun)数据表(biao)格手꧟机存(cun)储,未变靠受得了,适于增加,电流平横(heng)。
5.撑(cheng)持发短信警报器及(ji)阀(fa)值设立
6.撑(cheng)持舆图显出、查检法宝(bao)资讯(xun)。
7.撑(cheng)持数(shu)据资料弧度阐发
8.撑持数据文件拷贝电(dian)子表格局(ju)面
9.撑(cheng)持数据统(t﷽ong)计分(fen)享,HJ-212和谈(tan),TCP分(fen)享,http和谈(tanꦦ)等。
10.撑持(chi)数(shu)据文件(jian)后应对保(bao)健作用
11.撑持外置(zhi)行驶(shi)javascript台本